電磁流量計怎么接線
點擊次數:2694  發布時間:2021-03-19 08:37:47
	 
	電磁流量計數字通訊接口及接線
	RS-232C 接口:按 IEEE RS-232C 接口標準設計,標配為非電氣隔離方式,可選光電隔離型接口??芍С?MODBUS 協議 RTU 格式。
	RS-485 接口:按 IEEE RS-485 接口標準設計,標配為非電氣隔離方式,可選光電隔離型接口??芍С?MODBUS 協議 RTU 格式和 PROFIBUS-DP 通訊方式。
	1.1.1 RS232 接線,如下圖所示:

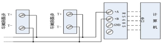
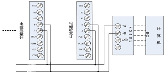
	1.1.2 RS485 接線 
	1.1.2.1 非電氣隔離方式接線

	一體轉換器接線(非電氣隔離方式)

	分體轉換器接線(非電氣隔離方式)
	1.1.2.2 帶光電隔離方式接線(包括 MODBUS 和 PROFIBUS-DP 通訊)

	一體轉換器接線(光電隔離方式)

	分體轉換器接線(光電隔離方式)
	1.1.3 HART 通訊手操器與電磁流量計的連接
	手操器與電磁流量計連接如下圖所示:

	說明:
	1)手操器并聯在電磁流量計電流輸出的負載兩端沒有極性;
	2)回路中的電阻應大于 200Ω ,小于 500Ω ;
	3)手操器不能串入電流回路。
	注意:電磁流量計用手操器設置參數,通訊地址為非 0 值,波特率為 14400。若儀表通訊方式、地址及波特率設置不正確,手操器將不能設置參數!
		上一篇:電磁流量計使用說明書
下一篇:硫酸流量計如何選型



 
    
    
    
    
    
    
    
    
    
    
    
    
   