
稀油流量計
- 品*:JKM/凱銘儀表
- 型號:JKM-LWGY
- 測量范圍:0.04~800m3/h
- 精度等級:0.5級、1.0級
- 公稱通徑:DN4~DN200
- 適用介質:水 油 醇 純凈液體
- 工作壓力:1.6~6.3MPa
- 工作溫度:-20~+100℃
- 供電方式:24VDC 3.6V鋰電池
- 訂貨號:GWK186543NNN
稀油流量計產品概述
渦輪流量計原理是感應線圈和永久磁鐵一起固定在殼體上。當鐵磁性渦輪葉片經過磁鐵時,磁路的磁阻發生變化,從而產生感應信號。信號經放大器放大和整形,送到計數器或頻率計,顯示總的積算流量。同時將脈沖頻率經過頻率-電壓轉換以指示瞬時流量。流量計的葉輪的轉速正比于流量,葉輪的轉數正比于流過的總量。渦輪流量計的輸出是頻率調制式信號,不僅提高了檢測電路的抗干擾性,而且簡化了流量檢測系統。渦輪流量計它的量程比可達10:1,精度在±0.2%以內。慣性小而且尺寸小的渦輪流量計的時間常數可達0.01秒。
稀油流量計的工作原理
液體渦輪流量計在管道中心安放一個渦輪,兩端由軸承支撐。當流體通過管道時,沖擊流量計葉片,對流量計產生驅動力矩,使流量計克服摩擦力矩和流體阻力矩而產生旋轉。在一定的流量范圍內,對一定的流體介質粘度,流量計的旋轉角速度與流體流速成正比。由此,流體流速可通過流量計的旋轉角速度得到,從而可以計算得到通過管道的流體流量。
流量計的轉速通過裝在機殼外的傳感線圈來檢測。當流量計葉片切割由殼體內永久磁鋼產生的磁力線時,就會引起傳感線圈中的磁通變化。傳感線圈將檢測到的磁通周期變化信號送入前置放大器,對信號進行放大、整形,產生與流速成正比的脈沖信號,送入單位換算與流量積算電路得到并顯示累積流量值;同時亦將脈沖信號送入頻率電流轉換電路,將脈沖信號轉換成模擬電流量,進而指示瞬時流量值。
稀油流量計產品特點
1.壓力損失小,葉輪具有防腐功能。
2.具有較高的抗電磁干擾和抗震動能力,性能可靠工作壽命長。
3.采用先進的超低功耗單片微機技術,整機功能強,功耗低,性能優越。具有非線性精度補償功能的智能流量 顯示器。修正公式精度優于±0.02%。
4.儀表系數可由按鍵在線設置,并可顯示在LCD屏上,LCD屏直觀清晰,可靠性高。
5.智能渦輪流量計采用EEPROM對累積流量、儀表系數進行掉電保護。保護時間大于10年。
6、結構緊湊輕巧,安裝維護方便,流通能力大;
7、適用高壓測量,儀表表體上不必開孔,易制成高壓型儀表;
8、專用型傳感器類型多,可根據用戶特殊需要設計為各類專用型傳感器,例如低溫型、雙向型、井下型、混砂專用型等
9、可制成插入型,適用于大口徑測量,壓力損失小,價格低,可不斷流取出,安裝。
稀油流量計基本參數
1、精度等級:±1%R、±0.5%R、±0.2%R(需特制)
2、量程比:1:10:1:15:1:20
3、儀表材質:304不銹鋼、316(L)不銹鋼等
4、被測介質溫度(℃):-20~+120℃
5、環境條件:溫度-10~+55℃,相對濕度5%~90%,大氣壓力86~106Kpa
6、信號傳輸線:STVPV3×0.3(三線制),2×0.3(二線制)
7、傳輸距離:≤1000m
8、信號線接口:基本型:豪斯曼接頭或自帶三芯線纜;防爆型:內螺紋M20×1.5
9、防爆等級:基本型:非防爆產品;防爆型:ExdIIBT6
10、防護等級:IP65
稀油流量計流量范圍
稀油流量計安裝尺寸

稀油流量計儀表分類
1、按儀表功能分類,LWGY系列渦輪流量計可分為2大類,即:
渦輪流量傳感器/變送器
智能一體化渦輪流量計
2、功能說明
流量計傳感器/變送器
該類渦輪流量產品本身不具備現場顯示功能,僅將流量信號遠傳輸出。流量信號可分為脈沖信號或電流信號(4-20mA);儀表價格低廉,集成度高,體積小巧,特別適用于 與二次顯示儀、PLC 、DCS 等計算機控制系統配合使用。
按照不同的輸出信號,該類產品可分為LWGY-□N型和LWGY-□A型
LWGY-□N型傳感器:12~24VDC供電,三線制脈沖輸出,高電平≥8V,低電平≤0.8V;信號傳輸距離≤1000米;
LWGY-□A型變送器:24VDC供電,二線制4-20mA輸出,信號傳輸距離≤1000。
該類渦輪流量產品均分為基本型和防爆型(ExdIIBT6)兩種,外形如圖
智能一體化渦輪流量計
采用先進的超低功耗單片微機技術研制的渦輪流量傳感器與顯示積算一體化的新型智能儀表,采用雙排液晶現場顯示,具有機構緊湊、讀數直觀清晰、可靠性高、不受外界電源干擾、抗雷擊、成本低等明顯優點。儀表具備儀表系數三點修正,智能補償儀表系數非線性,并可進行現場修正。高清晰液晶顯示器同時顯示瞬時流量(4 位有效數字)及累積流量(8 位有效數字,帶清零功能)。所有有效數據掉電后保持10年不丟。該類流量計均為防爆產品,防爆等級為:ExdIIBT6。
該類渦輪流量計按照供電方式、是否具備遠傳信號輸出可分為LWGY-□B型和LWGY-□C型。
LWGY-□B型:供電電源采用3.2V10AH鋰電池(可連續運行 4 年以上);無信號輸出功能。
LWGY-□C型:供電電源采用24VDC外供電,輸出4-20mA標準兩線制電流信號,并可根據不同的現場需要,可增加RS485或HART通訊。
稀油流量計型譜
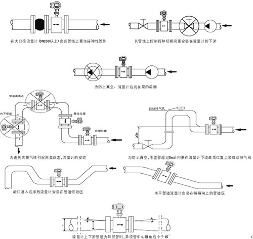
稀油流量計的安裝
1、儀表安裝采用法蘭連接、螺紋連接及夾裝式;
2、安裝時液體流動方向應與傳感器外殼上指示流向的箭頭方向一致,且上游直管段應≥20dn,下游直管段應≥5dn(dn為管道內徑)。
3、傳感器應遠離外界磁場,如不能避免,應采取必要的措施;
4、為了檢修時不至影響液體的正常輸送,應在傳感器兩端的直管段外安裝旁通管道(如圖四);
5、傳感器露天安裝時,請做好放大器插頭的防水處理;
6、傳感器與顯示儀表的接線,應根據放大器的電源來選擇接線方式,詳見有關"使用說明書
上一篇:液壓油流量計|高壓液體渦輪式
下一篇:高溫油流量計|衛生液體渦輪式



 
    
    
    
    
    
    
    
    
   