HART協議在耐腐蝕污水流量計中的實現
點擊次數:2689  發布時間:2021-08-19 08:04:46
	 
		摘要:現場總線控制系統代表了工業控制系統向分散化、網絡化、智能化發展的方向。為構建現場總線型工業測控系統,要求系統中所有儀表都應具有現場總線功能。其中,HART總線技術在電磁流量儀表中應用*為廣泛,本文在對HART協議進行詳細分析的基礎上,重點介紹了系統設計結構以及HART協議在耐腐蝕污水流量計中的軟硬件實現方法,測試結果表明,該設計滿足現場實際要求,達到了設計目的。
HART,即Highway Addressable Remote Transduc-er,是可尋址遠程傳感器高速公路的簡稱,*早由美國Rosemount公司開發并得到八十多家**儀表公司的支持,其特點是在不干擾4~20mA模擬信號的同時允許雙向數字通訊。符合HART協議的耐腐蝕污水流量計不僅可以實現各種流量的檢測和就地顯示,還可以通過上位機進行遠程設定,改變流量計的零點、量程,以及完成自診斷等功能,在很大程度上方便了流量計的使用和維護,因而具有較強的市場競爭力。本文討論基于HART協議耐腐蝕污水流量計具體實現的技術問題,一是要解決硬件電路的設計問題,二是要討論實現HART協議命令集編程及上位機軟件的實現。
1、HART協議簡介
HART協議遵循ISO制訂的OSI開放式系統互連參考模型,采用了OSI模型的*一層、*二層和*七層,即物理層、數據鏈路層和應用層。
1.1 物理層規范
HART協議采用美國電話通訊系統Bell202頻移鍵控(FSK)標準,在4~20 mA的模擬0.5mA的正弦波,波特率是1200bps。因為所疊加的正弦信號平均值為0,而且相位連續頻移鍵控技術要求在波特率為1200Hz的數據位1和0的邊界的相位角是連續的,所以數字通訊信號不會影響4~20mA的模擬信號。
1.2 數據鏈路層規范
這一部分協議規定了HART幀的格式,實現建立、維護、終結鏈路通訊功能,HART協議根據冗余檢錯碼信息,通過差錯檢測機制和采用自動重發請求協議(ARQ),實現通訊數據無差錯傳送。與協議相關的實體間的數據傳輸是以幀的形式實現的。幀是用戶控制和尋址信息對用戶數據的封裝,只有幀中的字節記數結束且經過了差錯檢驗接收正確無誤或是物理層通知信號傳輸終止(如檢測不到載波)之后才可以進行幀的識別。HART幀的格式如圖1所示。

●PREAMBLE前導信號:實際上是同步信號,各通訊設備可以據此略做調整,保證信息的同步。
●DELIM定界符:一個獨特的或是*容易識別的字符,*高位規定幀的尋址信息分為長格式或短格式,低3位定義了幀的類型。
●ADDR地址字節:包含了源地址和目的地址,*高位都用來表示與該幀相關的主設備的地址。“1”表示基本主設備;“0”表示副主設備。
●COM命令字節:表示現場儀表所要執行的功能,范圍為255個。
●BYTE CORNT數據總長度:該值表示的是BYTE CORNT下一個字節到*后(不包括校驗字節)的字節數。
●DATA數據字節:傳送用戶數據和響應數據,但不是每個幀中都會包含數據。
●CHK奇偶校驗:方式是縱向奇偶校驗。
在數據鏈路層中的HART協議是一種“主/從”協議,即由主設備產生消息,而從設備只在接收到發送給它的消息后才做出應答。在從設備的應答消息中除了已被接收的確認命令,許多消息中還包含了主設備詢問的數據。HART協議允許系統中同時有兩個主設備運行,一個基本主設備,一個副主設備。從設備根據兩個主設備不同的地址來向它們分發各自的應答命令消息。實際上在智能現場設備與中央控制或監測設備的信息往返通訊,根據傳輸信號的不同,可以分為以下3種通訊模式:模擬模式、模擬+數字模式和廣播(全數字)模式。
1.3 應用層規范
HART協議中包含三類命令:*一類為通用命令,適用于遵守HART協議的所有產品,符合HART協議的設備提供功能描述;*二類為普通操作命令,適用于遵守HART協議的大部分產品,當設備具有某些功能時,該命令用于對這些功能的描述;*三類為設備特殊命令,適用于遵守HART協議的特殊產品,提供一些特殊的功能描述命令。HART協議對于廠家生產的具有特殊功能的產品還提供了設備描述語言DDL,以確保互操作性。
2、基于HART協議的耐腐蝕污水流量計的硬件設計
帶有HART通訊協議的耐腐蝕污水流量計的硬件系統電路采用模塊化設計,主要包括傳感器模塊、MCU模塊、HART通訊模塊和人機界面模塊4個部分。由單片機控制的低頻勵磁電流輸出到傳感器的勵磁線圈中,同時來自電磁流量傳感器的微小電勢信號經前置放大后通過AD模數轉換電路送入到單片機。單片機對這些信號進行數據采集,分析處理送至液晶顯示屏進行瞬時流量和累積流量的顯示。同時單片機通過計算公式對得到的流量值進行補償,將補償后的流量信號通過HART通訊模塊實現與上位機的遠程通訊。
2.1 HART通訊模塊設計
HT2012芯片用來實現HART協議中通訊信號的解調及調制過程。圖2為調制解調器與微處理器的連接。

HARTHART信號的解調過程:由帶通濾波器輸出的脈沖信號進入HT2012后,調制解調器分別將脈沖信號中的1200Hz和2200Hz解調為數字1和0,再將數字信號由HT2012的ORXD端口輸出,CPU對接收到的數據進行判斷并執行相應的任務。
2.2 HT2012與外部接口
HART數字信號規范是峰值為1mA、平均值為0mA正弦交流電流信號,此信號經線路阻抗轉化為正弦交流電壓信號,而HT2012輸入和輸出信號是0~5V的方波信號,因此在HT2012和外部的HART信號之間還需要有濾波電路和整形電路。如圖3所示,由TLC27組成的濾波器是帶通濾波器,用來減少接收信號的噪聲干擾。濾波器還用來消除波形中的尖峰,從而使接收到的信號變得平緩。TLC37組成的數字方波產生回路把經過TLC27濾波后的正弦波轉變成相應的方波,以便于HT2012接收。

如圖4所示,緩沖器74HC126的作用是使方波的上升沿和下降沿趨于平緩,使信號滿足HART物理層規范所要求的信號波形上升沿和下沿的時要求,因為較平緩的上升沿和下降沿時間可以降低與其它網絡間的串擾。

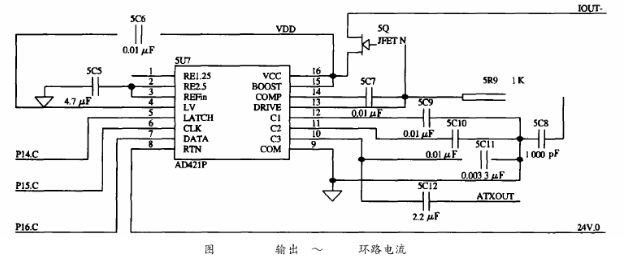
HT2012需要外部提供460.8kHz的時鐘信號,且要求時鐘頻率的誤差是0.1%,若直接入一個460.8kHz的晶振不僅會引起系統功耗的增加,而且該晶振屬于非標準晶振,需專門定制。為了解決這一問題,在系統中采用一片1.8432MHz的晶振以產生時鐘信號,再經分頻器CD4013進行4分頗,可輸出1.8432MHz/4=460.8kHz的分頻信號供HT2012使用。AD421其內部的電壓調節器與外部的場效應管DN25D對輸入到AD421的電壓進行調整,可提供+3.3V電壓作為其他設備的電源。HART發出的FSK信號,經過一個電容耦合送到AD421中,轉換成相應的0.5mA正弦電流信號,實現電壓信號到電流信號的轉換,同時,疊加在4~20mA的電流上送給接收設備,實現了HART協議的信息的交換。本電路耦合電容取為0.0033μF,如圖5所示。

3、HART通訊協議的軟件實現
3.1 耐腐蝕污水流量計串口中斷程序
在HART通信中,耐腐蝕污水流量計作為從設備進行通訊,所以這里的軟件設計只是針對于從設備。HART通信采用水平和垂直校驗的方法。當檢測到接收數據有差錯時,則等到主設備命令幀發完后,通知主設備數據接收有誤。主設備則重新發命令幀,從而保證通信的準確可靠。HART中斷子程序流程圖如圖6所示。由于HART通信為主從方式,HART幀中每個字節在物理層傳輸需要9ms左右,為了保證通訊的實時性,通訊程序采用串行口終端接收/發送。該中斷所要完成通信中的主要任務,即接收和發送幀,幀的拆分和打包。

3.2 上位機軟件數據采集程序
1)形成讀流量計長幀地址命令字:5個FF前導碼;起始字符為02(采用短幀格式時,主設備向從設備發送);地址為00(輪循地址);命令字是00(讀變送器標識命令字節數);無數據。
2)追加校驗和:采用異或邏輯運算求校驗和追加在字節數后,形成完整命令。
3)按異步串行通信方式發送命令并接收從設備回答的信息。
4)從回答的信息中提取流量計長幀地址。
5)形成讀流量計其他數據命令:5個FF前導碼;起始字符為82(采用長幀格式時,主設備向從設備發送);地址為流量計長幀地址;命令字、字節數和數據略;采用異或邏輯運算求校驗和,追加在字節數后,形成完整命令。
6)按異步串行通信方式發送命令并接收儀器回答的信息。
7)從回答的信息中提取流量計數據。以后再讀取流量計的數據時,只進行(5)~(7)步即可。流程圖見圖7所示。

4、結論
對研制的耐腐蝕污水流量計進行試驗表明:該流量計集成化程度高、功能強、操作方便、性能可靠;具有自診斷、自檢定功能和HART數據通訊功能;可測正反兩個方向流量,也可測脈動流量;抗電磁干擾和溫度性能好,適合于現場測量和顯示;測量范圍大,準確度高。
		
針對生產中防腐污水流量計問題的解決案例分析 
化工廠防腐污水流量計為慢流量測量提供了一種新穎的解決方案 
腐蝕性污水流量計對于測量流體介質溫度影響分析說明 
腐蝕性污水流量計勵磁系統研制的實驗與測試 
腐蝕性污水流量計的優點及設計選型時考慮因素 
腐蝕性污水流量計在污水流量測量中有什么優勢 
關于腐蝕性污水流量計廠家的校驗周期 
耐腐蝕污水流量計的優點及設計選型時考慮因素 
耐腐蝕污水流量計調試期與運行期常見故障的分析處理 
HART協議在耐腐蝕污水流量計中的實現 
化工生產裝置中耐腐蝕污水流量計選型指導原則簡介 
耐腐蝕污水流量計在污水處理流量測量中的正確的選型與應用 
腐蝕性污水流量計,工業污水流量計價格 
腐蝕污水流量計,酸堿污水流量計 
防腐污水流量計,dn150污水流量計 
耐腐蝕污水流量計,工業污水流量計價格 
耐腐蝕污水流量計的特點與安裝要求 
防腐污水流量計,污水流量測量用什么流量計 
防腐污水流量計,工業污水流量計價格 
耐腐蝕污水流量計,污水流量計dn200 
防腐污水流量計,污水廠進水流量計 
防腐污水流量計,養殖場污水流量計 
防腐污水流量計,dn300污水流量計 
腐蝕性污水流量計,防堵污水流量計 
腐蝕污水流量計,測污水流量計 
耐腐蝕污水處理流量計在測量不同的混合液體時需要關注的問題 
堿性污水防腐流量計在纖維素浸漬工藝中的應用 
耐腐蝕污水專用流量計在漿液中的使用及襯里的選擇 
腐蝕性污水流量計的電磁兼容性分析與選型 
腐蝕性污水流量計 
		
		HART,即Highway Addressable Remote Transduc-er,是可尋址遠程傳感器高速公路的簡稱,*早由美國Rosemount公司開發并得到八十多家**儀表公司的支持,其特點是在不干擾4~20mA模擬信號的同時允許雙向數字通訊。符合HART協議的耐腐蝕污水流量計不僅可以實現各種流量的檢測和就地顯示,還可以通過上位機進行遠程設定,改變流量計的零點、量程,以及完成自診斷等功能,在很大程度上方便了流量計的使用和維護,因而具有較強的市場競爭力。本文討論基于HART協議耐腐蝕污水流量計具體實現的技術問題,一是要解決硬件電路的設計問題,二是要討論實現HART協議命令集編程及上位機軟件的實現。
1、HART協議簡介
HART協議遵循ISO制訂的OSI開放式系統互連參考模型,采用了OSI模型的*一層、*二層和*七層,即物理層、數據鏈路層和應用層。
1.1 物理層規范
HART協議采用美國電話通訊系統Bell202頻移鍵控(FSK)標準,在4~20 mA的模擬0.5mA的正弦波,波特率是1200bps。因為所疊加的正弦信號平均值為0,而且相位連續頻移鍵控技術要求在波特率為1200Hz的數據位1和0的邊界的相位角是連續的,所以數字通訊信號不會影響4~20mA的模擬信號。
1.2 數據鏈路層規范
這一部分協議規定了HART幀的格式,實現建立、維護、終結鏈路通訊功能,HART協議根據冗余檢錯碼信息,通過差錯檢測機制和采用自動重發請求協議(ARQ),實現通訊數據無差錯傳送。與協議相關的實體間的數據傳輸是以幀的形式實現的。幀是用戶控制和尋址信息對用戶數據的封裝,只有幀中的字節記數結束且經過了差錯檢驗接收正確無誤或是物理層通知信號傳輸終止(如檢測不到載波)之后才可以進行幀的識別。HART幀的格式如圖1所示。

●PREAMBLE前導信號:實際上是同步信號,各通訊設備可以據此略做調整,保證信息的同步。
●DELIM定界符:一個獨特的或是*容易識別的字符,*高位規定幀的尋址信息分為長格式或短格式,低3位定義了幀的類型。
●ADDR地址字節:包含了源地址和目的地址,*高位都用來表示與該幀相關的主設備的地址。“1”表示基本主設備;“0”表示副主設備。
●COM命令字節:表示現場儀表所要執行的功能,范圍為255個。
●BYTE CORNT數據總長度:該值表示的是BYTE CORNT下一個字節到*后(不包括校驗字節)的字節數。
●DATA數據字節:傳送用戶數據和響應數據,但不是每個幀中都會包含數據。
●CHK奇偶校驗:方式是縱向奇偶校驗。
在數據鏈路層中的HART協議是一種“主/從”協議,即由主設備產生消息,而從設備只在接收到發送給它的消息后才做出應答。在從設備的應答消息中除了已被接收的確認命令,許多消息中還包含了主設備詢問的數據。HART協議允許系統中同時有兩個主設備運行,一個基本主設備,一個副主設備。從設備根據兩個主設備不同的地址來向它們分發各自的應答命令消息。實際上在智能現場設備與中央控制或監測設備的信息往返通訊,根據傳輸信號的不同,可以分為以下3種通訊模式:模擬模式、模擬+數字模式和廣播(全數字)模式。
1.3 應用層規范
HART協議中包含三類命令:*一類為通用命令,適用于遵守HART協議的所有產品,符合HART協議的設備提供功能描述;*二類為普通操作命令,適用于遵守HART協議的大部分產品,當設備具有某些功能時,該命令用于對這些功能的描述;*三類為設備特殊命令,適用于遵守HART協議的特殊產品,提供一些特殊的功能描述命令。HART協議對于廠家生產的具有特殊功能的產品還提供了設備描述語言DDL,以確保互操作性。
2、基于HART協議的耐腐蝕污水流量計的硬件設計
帶有HART通訊協議的耐腐蝕污水流量計的硬件系統電路采用模塊化設計,主要包括傳感器模塊、MCU模塊、HART通訊模塊和人機界面模塊4個部分。由單片機控制的低頻勵磁電流輸出到傳感器的勵磁線圈中,同時來自電磁流量傳感器的微小電勢信號經前置放大后通過AD模數轉換電路送入到單片機。單片機對這些信號進行數據采集,分析處理送至液晶顯示屏進行瞬時流量和累積流量的顯示。同時單片機通過計算公式對得到的流量值進行補償,將補償后的流量信號通過HART通訊模塊實現與上位機的遠程通訊。
2.1 HART通訊模塊設計
HT2012芯片用來實現HART協議中通訊信號的解調及調制過程。圖2為調制解調器與微處理器的連接。

HARTHART信號的解調過程:由帶通濾波器輸出的脈沖信號進入HT2012后,調制解調器分別將脈沖信號中的1200Hz和2200Hz解調為數字1和0,再將數字信號由HT2012的ORXD端口輸出,CPU對接收到的數據進行判斷并執行相應的任務。
2.2 HT2012與外部接口
HART數字信號規范是峰值為1mA、平均值為0mA正弦交流電流信號,此信號經線路阻抗轉化為正弦交流電壓信號,而HT2012輸入和輸出信號是0~5V的方波信號,因此在HT2012和外部的HART信號之間還需要有濾波電路和整形電路。如圖3所示,由TLC27組成的濾波器是帶通濾波器,用來減少接收信號的噪聲干擾。濾波器還用來消除波形中的尖峰,從而使接收到的信號變得平緩。TLC37組成的數字方波產生回路把經過TLC27濾波后的正弦波轉變成相應的方波,以便于HT2012接收。

如圖4所示,緩沖器74HC126的作用是使方波的上升沿和下降沿趨于平緩,使信號滿足HART物理層規范所要求的信號波形上升沿和下沿的時要求,因為較平緩的上升沿和下降沿時間可以降低與其它網絡間的串擾。

HT2012需要外部提供460.8kHz的時鐘信號,且要求時鐘頻率的誤差是0.1%,若直接入一個460.8kHz的晶振不僅會引起系統功耗的增加,而且該晶振屬于非標準晶振,需專門定制。為了解決這一問題,在系統中采用一片1.8432MHz的晶振以產生時鐘信號,再經分頻器CD4013進行4分頗,可輸出1.8432MHz/4=460.8kHz的分頻信號供HT2012使用。AD421其內部的電壓調節器與外部的場效應管DN25D對輸入到AD421的電壓進行調整,可提供+3.3V電壓作為其他設備的電源。HART發出的FSK信號,經過一個電容耦合送到AD421中,轉換成相應的0.5mA正弦電流信號,實現電壓信號到電流信號的轉換,同時,疊加在4~20mA的電流上送給接收設備,實現了HART協議的信息的交換。本電路耦合電容取為0.0033μF,如圖5所示。

3、HART通訊協議的軟件實現
3.1 耐腐蝕污水流量計串口中斷程序
在HART通信中,耐腐蝕污水流量計作為從設備進行通訊,所以這里的軟件設計只是針對于從設備。HART通信采用水平和垂直校驗的方法。當檢測到接收數據有差錯時,則等到主設備命令幀發完后,通知主設備數據接收有誤。主設備則重新發命令幀,從而保證通信的準確可靠。HART中斷子程序流程圖如圖6所示。由于HART通信為主從方式,HART幀中每個字節在物理層傳輸需要9ms左右,為了保證通訊的實時性,通訊程序采用串行口終端接收/發送。該中斷所要完成通信中的主要任務,即接收和發送幀,幀的拆分和打包。

3.2 上位機軟件數據采集程序
1)形成讀流量計長幀地址命令字:5個FF前導碼;起始字符為02(采用短幀格式時,主設備向從設備發送);地址為00(輪循地址);命令字是00(讀變送器標識命令字節數);無數據。
2)追加校驗和:采用異或邏輯運算求校驗和追加在字節數后,形成完整命令。
3)按異步串行通信方式發送命令并接收從設備回答的信息。
4)從回答的信息中提取流量計長幀地址。
5)形成讀流量計其他數據命令:5個FF前導碼;起始字符為82(采用長幀格式時,主設備向從設備發送);地址為流量計長幀地址;命令字、字節數和數據略;采用異或邏輯運算求校驗和,追加在字節數后,形成完整命令。
6)按異步串行通信方式發送命令并接收儀器回答的信息。
7)從回答的信息中提取流量計數據。以后再讀取流量計的數據時,只進行(5)~(7)步即可。流程圖見圖7所示。

4、結論
對研制的耐腐蝕污水流量計進行試驗表明:該流量計集成化程度高、功能強、操作方便、性能可靠;具有自診斷、自檢定功能和HART數據通訊功能;可測正反兩個方向流量,也可測脈動流量;抗電磁干擾和溫度性能好,適合于現場測量和顯示;測量范圍大,準確度高。
上一篇:分體式污水流量計
下一篇:污水流量計dn200



