
智能渦街流量計
- 品*:JKM/凱銘儀表
- 型號:JKM-LUGB
- 測量范圍:5-11000m3/h
- 精度等級:1.5級、1.0級
- 公稱通徑:DN20~DN1200
- 適用介質:氣體、液體、蒸汽
- 工作壓力:1.6MPa~10MPa
- 工作溫度:-80℃~450℃
- 供電方式:24VDC或鋰電池
- 訂貨號:HNVPPIQSY646
智能渦街流量計產品概述
渦街流量計是根據卡門渦街原理研究生產的,主要用于工業管道介質流體的流量測量,如氣體、液體、蒸氣等多種介質。其特點是壓力損失小,量程范圍大,精度高,在測量工況體積流量時幾乎不受流體密度、壓力、溫度、粘度等參數的影響。無可動機械零件,因此可靠性高,維護量小。儀表參數能長期穩定。渦街流量計采用壓電應力式傳感器,可靠性高,可在-20℃~+250℃的工作溫度范圍內工作。有模擬標準信號,也有數字脈沖信號輸出,容易與計算機等數字系統配套使用,是一種比較先進、理想的測量儀器。

智能渦街流量計技術指標
測量介質:氣體、液體、蒸氣
連接方式:法蘭卡裝式、法蘭式、插入式
口徑規格 法蘭卡裝式口徑選擇 25,32,50,80,100
法蘭連接式口徑選擇 100,150,200
流量測量范圍 正常測量流速范圍 雷諾數1.5×104~4×106;氣體5~50m/s; 液體0.5~7m/s
測量精度 1.0級 1.5級
被測介質溫度:常溫-25℃~100℃,高溫-25℃~150℃ -25℃~250℃
輸出信號 脈沖電壓輸出信號 高電平8~10V 低電平0.7~1.3V
脈沖占空比約50%,傳輸距離為100m
脈沖電流遠傳信號 4~20 mA,傳輸距離為1000
儀表使用環境 溫度:-25℃~+55℃ 濕度:5~90% RH50℃
材質 不銹鋼, 鋁合金
電源 DC24V或鋰電池3.6V
防爆等級 本安型iaIIbT3-T6,防護等級 IP65


智能渦街流量計特點
結構簡單而牢固,無可動部件,可靠性高,長期運行十分可靠。
安裝簡單,維護十分方便。
檢測傳感器不直接接觸被測介質,性能穩定,壽命長。
輸出是與流量成正比的脈沖信號,無零點漂移,精度高。
測量范圍寬,量程比可達1:10。
壓力損失較小,運行費用低,更具節能意義。
在一定的雷諾數范圍內,輸出信號頻率不受流體物理性質和組份變化的影響,儀表系數僅與旋渦發生體的形狀和尺寸有關,測量流體體積流量時無需補償,調換配件后一般無需重新標定儀表系數。應用范圍廣,蒸汽、氣體、液體的流量均可測量。
檢定周期為二年。
智能渦街流量計選型要點


渦街流量計正確選型才能保證渦街流量計更好的使用。選用什么種類的渦街流量計應根據被測流體介質的物理性質和化學性質來決定?使渦街流量計的通徑、流量范圍、襯里材料、電極材料和輸出電流等?都能適應被測流體的性質和流量測量的要求。
1、精密功能檢查
精度等級和功能根據測量要求和使用場合選擇儀表精 度等級,做到經濟合算。比如用于貿易結算、產品交接和能源計量的場合,應該選擇精度等級高些,如1.0級、0.5級,或者更高等級; 用于過程控制的場合,根據控制要求選擇不 同精度等級;有些僅僅是檢測一下過程流量,無需做精確控制和計量的場合,可以選擇精度等級稍低的,如1.5級、2.5級,甚至 4.0級,這時可以選用價格低廉的插入式渦街流量計。
2、可測量的介質
測量介質流速、儀表量程與口徑 測量一般的介質時,渦街流量計的滿度 流量可以在測量介質流速0.5-12m/s范圍內 選用,范圍比較寬。選擇儀表規格(口徑)不一 定與工藝管道相同,應視測量流量范圍是否 在流速范圍內確定,即當管道流速偏低,不能滿足流量儀表要求時或者在此流速下測量準 確度不能保證時,需要縮小儀表口徑,從而提 高管內流速,得到滿意測量結果。
3、渦街流量變送器的選擇
在飽和蒸汽測量中采用VA型壓電式渦街流量變送器,由于渦街流量計量程范圍寬,因此,在實際應用中,一般主要考慮測量飽和蒸汽的流量不得低于渦街流量計的下限,也就是說必須滿足流體流速不得低于5m/s。根據用汽量的大小選用不同口徑的渦街流量變送器,而不能以現有的工藝管道口徑來選擇變送器口徑。
4、壓力補償壓力變送器的選擇
由于飽和蒸汽管路長,壓力波動較大,必須采用壓力補償,考慮到壓力、溫度及密度的對應關系,測量中只采用壓力補償即可,由于管道飽和蒸汽壓力在0.3-0.7MPa范圍,壓力變送器的量程選擇1MPa即可。
5、.顯示儀表選擇
顯示儀表智能流量顯示儀,具有穩壓補償、瞬時流量顯示和累積流量積算功能。
智能渦街流量計口徑與流量對照表



智能渦街流量計口徑與流量對照表

智能渦街流量計信號換算與接線方式
電壓脈沖換算成累積流量,(累計流量值)Qs=N/K,
K是流量系數(出廠都已經給定),N是一段時間內的總脈沖數。
1)可由二次儀表(流量積算儀、PLC等)將脈沖頻率f進行積算,得到一段時間內的總個數。
2)直接一段采集脈沖個數,得到總數。
脈沖輸出接線方式

電流信號換算成瞬時流量(4-20mA接線方式)

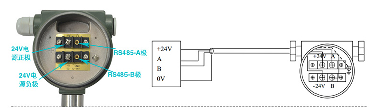
485通訊接線

智能渦街流量計安裝注意事項
安裝點選擇:
由于渦街流量計的檢測原理限制,應盡量遠離工業現場有震動源的地方。
常見震動源:
現場設備:水泵、抽水機、調節閥等
人為因素:路面施工、管道敲打。
安裝距離選擇:
渦街流量儀表對安裝點的上下游直管段有一定要求(前10后5),否則會影響介質在管道中的流場,影響儀表的測量精度。儀表的上下游直管段長度要求如下:

				
上一篇:沒有了!
下一篇:JKM-LUGB插入式渦街流量計



 
    
    
    
    
    
    
    
    
    
    
   